空降24小时上门_全国高端商务接待私人预约_全国空降可约_全国同城空降快餐

星光真空设备-专业生产LG螺杆真空泵、钛材螺杆真空泵、哈氏合金螺杆真空泵、耐腐蚀真空泵、耐腐蚀真空设备等

当前页:首页 >> 产品中心 - HG、2H滑阀真空泵系列

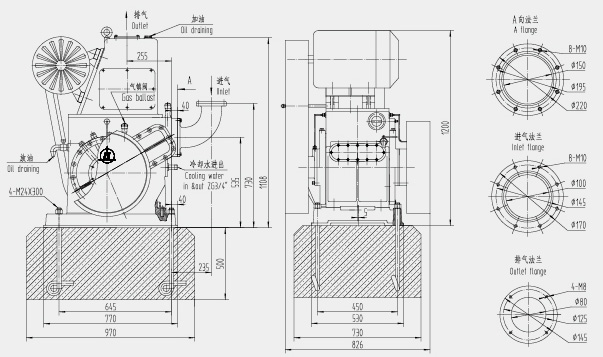
HG、2H滑阀真空泵 / HGL-150

产品参数


返 回
联系我们

订购我们产品,请致电:

0576-88653588,88652002

销售及服务

我们的真空泵产品远销国内外!公司全力以赴为客户提供最优的服务,在客户集中的区域设立售后服务办事处。我们郑重承诺:如产品自身缺陷或存在质量问题,省内及周边地区用户24小时内到达,省外用户48小时内到达。

浙公网安备 33100202000368号

主站蜘蛛池模板: 长丰县| 清涧县| 渝北区| 玉树县| 平罗县| 碌曲县| 陈巴尔虎旗| 新建县| 苏尼特右旗| 闵行区| 陕西省| 台湾省| 芦山县| 洞头县| 米林县| 额敏县| 三明市| 邵东县| 洪湖市| 衡阳县| 马鞍山市| 陇西县| 天祝| 丰原市| 黑水县| 婺源县| 兴义市| 安远县| 屯留县| 云浮市| 林周县| 宜良县| 金昌市| 台中市| 泾阳县| 惠来县| 吴江市| 治多县| 蓝田县| 基隆市| 青阳县|